Kugleventil i PVC - 4

Kugleventil i PVC

123,00 kr
Inkl. moms


Leveringstid 1 - 3 dage

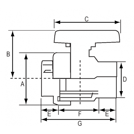
Se målskema nedenfor.

Reference
7144670
Gevind: 3/4"
Antal
Sidste elementer på lager

Varenr. A mm B mm C mm D " E mm F mm G mm Vægt g
7144669 50 51 65 ½" 16 46 78 140
7144670 60 58 70 3/4" 19 52 90 200
7144671 68 65 82 1" 22 60 104 300
7144672 80 76 92 1 1/4" 24 68 116 450
7144673 94 88 105 1 ½" 24 78 126 690
7144670

Specifikke referencer

ean13
5204980446703

DU VIL EVENTUELT OGSÅ SYNES OM

To top